Web Analytics Made Easy - Statcounter
Smart 451 Fuse Box Diagram: The Hidden Fixes Every Owner Needs!

Smart 451 Fuse Box Diagram: The Hidden Fixes Every Owner Needs!

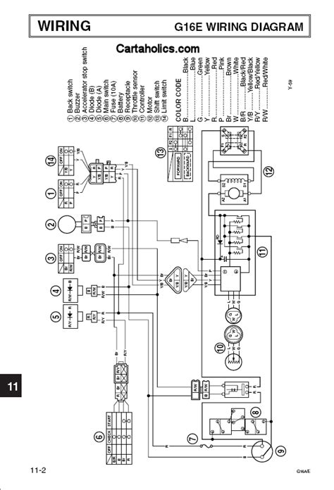
Smart 451 Fuse Box Diagram: The Hidden Fixes Every Owner Needs! Smart 451 fuse box diagram